CN

183 1298 3298
List of speed governor characteristics
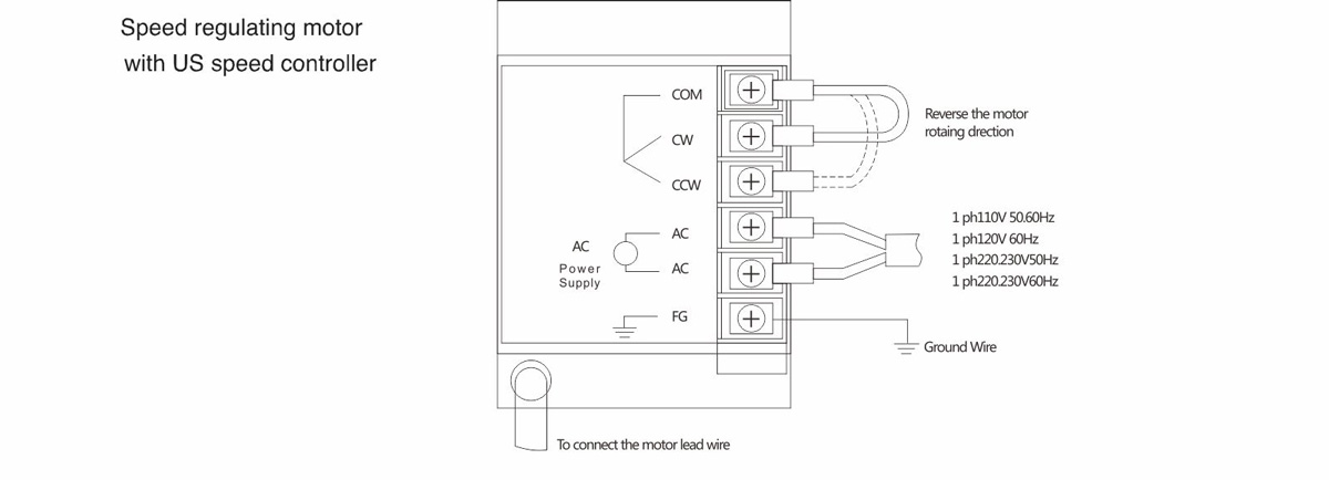
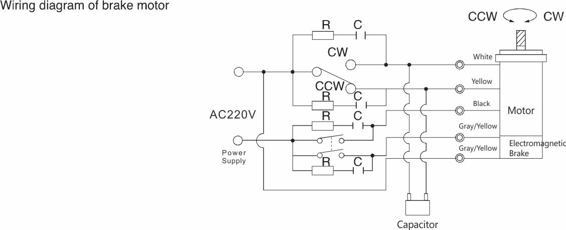
CONNECTION DIAGRAMS
Description: The ordinary brake line is two gray lines;
KB brand brake lines are two yellow lines;
Three-phase 380V is three black wires;
Three-phase 220V is three yellow wires;
Three-phase six-wire is three yellow wires and three white wires.