业务类别
Business Category
当前位置:首页 > 业务类别 > 减速机事业部 > 微型减速机 >
KB-直流齿轮减速电机 大功率永磁直流电机
KB-直流齿轮减速电机 大功率永磁直流电机
联系我们

183 1298 3298

产品描述
产品定义
机座号 : 2:60*60mm 3:70*70mm 4:80*80mm 5:90*90mm 6:104*104mm 7: 120*120
直流马达系列
电机功率 15:15W 25:25W 60: 60W 200:200W 450 : 450W .
额定电压 12:DC12V 24:DC24V 90:DC90V 220:DC220V
电机轴形状 GU: 加强型斜齿轴 GN:昔通型斜齿轴 A1 :光轴铣键槽  A:光轴铣扁. RV :代表配RV专用
电机转速Motor Speed : 18代表负载转速1800rpm 28代表负载转速2800rpm
M代表刹车

减速器
型号尺寸: 2:60mm 3:70mm 4:80mm 5:90mm 6:104mm 7:120mm
齿轮种类GN:普通型斜齿轴 GU :加强型斜齿轴
减速比:50减速比为1:50 10X仅限减速比1 : 10的中间减速比10X 
辆承种类:K:滚珠轴承(对GU型方箱体标注为KB) 

直流电机的一般规格
绝缘电阻
在常温、常湿度下,运转电机后,以DC 500V电阻表测量线圈、外壳间时,测量值为20MO以上.
在常温、常湿度下电动机额定运行后,在线圈、外壳间施加一分钟50Hz. 1.5KV (三相400V为2KV )的电压,亦无异常。
绝缘电压:温度上升 运转电机后,用电阻法来测量时,线圈绕温度的上升数值在80°C以下。
绝缘等级:F级 ( 180)
使用温度:-10°C ~40°C (无冰冻)
使用湿度:85%以下没有结露的场所

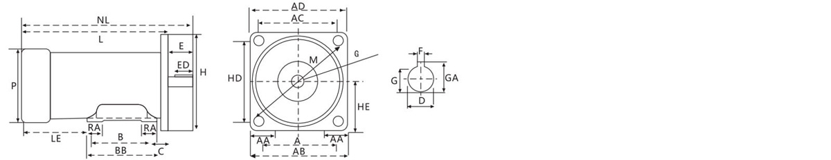
外形尺寸图

电机电压、功率及转速可在配件尺寸等条件允许下根据客户要求定制。


技术参数

Copyright © 2025 科博特(宁波)精密机械有限公司